アウディー ブレーキ製作

アウディーにお客様の持ち込みでキャリパーを取り付け、それに合わせてディスクを製作する仕事がありましたので、そちらの紹介をしたいと思います。

純正のブレーキが付いているのですが、フロントに持ち込みのキャリパーを付けていきます。

ポルシェのキャリパーです。
これを取り付けて欲しいとの事です。

まず純正キャリパーをディスクを取り外して、実際に取り付けられるのかを確認していきます。

当初は出来る限り大きいサイズでとの事でしたが、持ち込まれたキャリパーと元々の車両の取り付け位置の関係で、キャリパーブラケットを取り付ける事が出来なかったのであまりサイズアップは出来ませんでした。
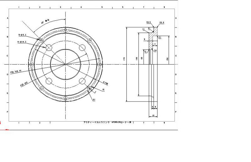
一応取り付けられる事を確認した上で、お客様と話をして確認が取れたので、図面を製作してベルハウジングを製作します。

出来たディスクと純正ディスクの比較です。

サイズも多少ですが大きくなり、厚みに関しては大分厚くなりました。

次に取り付けるキャリパーのサイズが大分大きくなるので、それに合わせてバックプレートをカットしていきます。

バックプレートをカットして、キャリパーのローテーション方向も逆だった為、合わせて変更しておきます。

後はディスクを取り付けて、組み込んで行きます。

ブレーキホースも合わせて製作いたします。
純正はホース→パイプ→ホース→キャリパーと言う取り回しだったのですが、一本のホースで製作し直します。

最終ホイールを取り付けて完成です。
もちろんキャリパーのエア抜きはしてからですが(笑)
最初の純正キャリパーと比べると大分イメージは変わりましたね。